
產品名稱:Z40W鈦合金楔式閘閥
產品標簽:閘閥,鈦合金楔式閘閥
更新時間:2019/5/14 15:31:49
上一個產品: Z541Y傘齒輪法蘭閘閥
下一個產品:Z41Y鉻鉬鋼閘閥
在線訂購:在線訂購
產品詳情
Z40W鈦合金楔式閘閥產品概述:
Z40W-16Ti、Z40W-25Ti 型鈦合金楔式閘閥:手動、法蘭連接、明桿楔式彈性閘板,閥座密封面材料為鈦合金,工作壓力 1.6-2.5MPa,閥體材料為 ZTA2 鈦合金的閘閥。因為鈦和氧有很好的親和力,極易與氧反應而在其表面生成一層堅固而致密的鈍性氧化薄膜,對許多腐蝕介質都呈現出特別優(yōu)異的耐腐蝕性。
鈦合金閘閥 主要性能參數
型號
|
PN
|
工作壓力 / MPa
|
適用溫度 / ℃
|
適用介質
|
Z40W-16Ti
|
16
|
1.6
|
≤200
|
氧化腐蝕性介質
|
Z40W-25Ti
|
25
|
2.5
|
鈦合金閘閥 主要零件材料
型號
|
材料
|
|||
閥體、閥蓋、閘板
|
閘桿
|
密封面
|
填料
|
|
Z40W-16Ti
|
ZTA2
|
TC4
|
本體材料
|
聚四氟乙烯
|
Z40W-25Ti
|
||||
![]() |
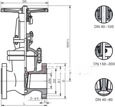
Z40W-16Ti 型鈦合金楔式閘閥
DN
|
L
|
D
|
D1
|
D2
|
b
|
f
|
z-φd
|
H
|
D0
|
重量 /kg
|
15
|
130
|
95
|
65
|
45
|
14
|
2
|
4-φ14
|
175
|
200
|
4
|
20
|
150
|
105
|
75
|
55
|
14
|
2
|
4-φ14
|
180
|
200
|
5
|
25
|
160
|
115
|
85
|
65
|
14
|
2
|
4-φ14
|
210
|
200
|
6
|
32
|
180
|
135
|
100
|
78
|
16
|
2
|
4-φ18
|
210
|
200
|
7
|
40
|
200
|
145
|
110
|
85
|
16
|
3
|
4-φ18
|
350
|
200
|
19
|
50
|
250
|
160
|
125
|
100
|
16
|
3
|
4-φ18
|
358
|
240
|
29
|
65
|
265
|
180
|
145
|
120
|
18
|
3
|
4-φ18
|
375
|
240
|
33
|
80
|
280
|
195
|
160
|
135
|
20
|
3
|
8-φ18
|
433
|
280
|
45
|
100
|
300
|
215
|
180
|
155
|
20
|
3
|
8-φ18
|
502
|
320
|
63
|
125
|
325
|
245
|
210
|
185
|
22
|
3
|
8-φ18
|
612
|
360
|
108
|
150
|
350
|
280
|
240
|
210
|
24
|
3
|
8-φ23
|
676
|
360
|
134
|
200
|
400
|
335
|
295
|
265
|
26
|
3
|
12-φ23
|
820
|
400
|
192
|
250
|
450
|
405
|
355
|
320
|
30
|
3
|
12-φ25
|
969
|
450
|
273
|
300
|
500
|
460
|
410
|
375
|
30
|
4
|
12-φ25
|
1142
|
560
|
379
|
350
|
550
|
520
|
470
|
435
|
34
|
4
|
16-φ25
|
1280
|
640
|
590
|
400
|
600
|
580
|
525
|
485
|
36
|
4
|
16-φ30
|
1452
|
640
|
850
|
450
|
650
|
640
|
585
|
545
|
40
|
4
|
20-φ30
|
1541
|
720
|
907
|
500
|
700
|
705
|
650
|
608
|
44
|
4
|
20-φ34
|
1676
|
720
|
958
|
600
|
800
|
840
|
770
|
718
|
48
|
5
|
20-φ41
|
1874
|
800
|
1112
|
Z40W-25Ti 型鈦合金楔式閘閥
DN
|
L
|
D
|
D1
|
D2
|
b
|
f
|
z-φd
|
H
|
D0
|
重量 /kg
|
15
|
130
|
95
|
65
|
45
|
16
|
2
|
4-φ14
|
175
|
200
|
4
|
20
|
150
|
105
|
75
|
55
|
16
|
2
|
4-φ14
|
180
|
200
|
5
|
25
|
160
|
115
|
85
|
65
|
16
|
2
|
4-φ14
|
210
|
220
|
6
|
32
|
180
|
135
|
100
|
78
|
18
|
2
|
4-φ18
|
210
|
220
|
7
|
40
|
200
|
145
|
110
|
85
|
18
|
3
|
4-φ18
|
350
|
220
|
18
|
50
|
250
|
160
|
125
|
100
|
20
|
3
|
4-φ18
|
358
|
250
|
25
|
65
|
265
|
180
|
145
|
120
|
22
|
3
|
8-φ18
|
373
|
280
|
35
|
80
|
280
|
195
|
160
|
135
|
22
|
3
|
8-φ18
|
435
|
300
|
50
|
100
|
300
|
230
|
190
|
160
|
24
|
3
|
8-φ23
|
500
|
350
|
65
|
125
|
325
|
270
|
220
|
188
|
28
|
3
|
8-φ25
|
614
|
400
|
100
|
150
|
350
|
300
|
250
|
218
|
30
|
3
|
8-φ25
|
674
|
450
|
135
|
200
|
400
|
360
|
310
|
278
|
34
|
3
|
12-φ25
|
818
|
500
|
180
|
250
|
450
|
425
|
370
|
332
|
36
|
3
|
12-φ30
|
969
|
550
|
207
|
300
|
500
|
485
|
430
|
390
|
40
|
4
|
16-φ30
|
560
|
400
|
|
350
|
550
|
550
|
490
|
448
|
44
|
4
|
16-φ34
|
1280
|
640
|
631
|
400
|
600
|
610
|
550
|
505
|
48
|
4
|
16-φ34
|
1450
|
640
|
900
|
450
|
650
|
660
|
600
|
555
|
50
|
4
|
20-φ34
|
1541
|
720
|
1013
|
500
|
700
|
730
|
660
|
610
|
52
|
4
|
20-φ41
|
1676
|
720
|
1166
|
600
|
800
|
840
|
770
|
718
|
56
|
5
|
20-φ41
|
1874
|
800
|
1258
|
700
|
900
|
955
|
875
|
815
|
60
|
5
|
24-φ48
|
2280
|
850
|
--
|
800
|
1000
|
1070
|
990
|
930
|
64
|
5
|
24-φ48
|
2420
|
700
|
--
|





